脈沖真空干燥機是我公司吸收大量客戶反饋及使用需求,在現有產品技術的基礎上,自主開發設計的新型干燥設備。
脈沖真空干燥機概述
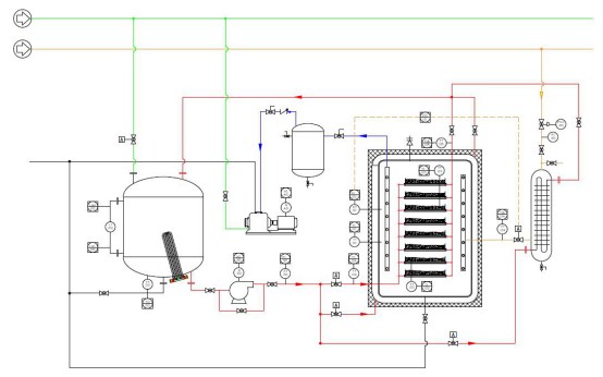
脈沖真空干燥機廣泛應用于制藥行業、生物工程等領域的,是一種符合新版GMP的真空箱式干燥裝置,其主要針對于熱敏性物料、粘性大物料、和需要回收溶劑物料的干燥,尤其對物料含糖量高、易溢出、易起泡中藥浸膏類的物料干燥能力和效果非常好。該設備采用“脈沖”層流真空干燥原理,是一種高能的低溫干燥方式,其可以采用蒸汽、熱水、電為熱源,亦可以配備飽和、流通蒸汽殺菌、臭氧殺毒功能、在線清洗或浸泡清洗功能。
脈沖真空干燥機優勢
1、脈沖真空干燥機干燥效率高,比傳統設備效率提高200% 以上,大大縮短干燥時間;
2、相比熱風循環烘箱能耗節約80% 以上;
3、產品均勻性更高, 干燥后的產品品質和顏色更好;
4、脈沖真空干燥機具備在線清洗或浸泡式清洗功能,移動式料車設計,更方便清洗;
5、針對易起泡物料,采用脈沖破泡設計;
6、脈沖真空干燥機針對不易破泡的物料,采用爆炸式干燥的方式,充分利用蒸汽的潛熱及其欠飽和蒸汽的吸性;
7、全自動控制系統,整套系統人機界面操作,可分段設定參數,實現更復雜的工藝流程,保障干燥效率和效果。

脈沖真空干燥機特點
1、板層加熱:板層平面度≤1mm,料盤與板層緊密貼合,傳熱效率高;中空的隔板設計,使板層加熱均勻,溫度均勻性±1.5℃,保證物料干燥一致性;
2、干燥箱體內壁采用優質不銹鋼板鏡面板制成,內壁邊角圓弧過渡,確保內部無死角、便于洗;
3、內壁設有加熱夾層,能預防結露;形成有效隔離層,減小內外溫差,降低箱體內部熱量散失;
4、可拆式料車設計,料車可整體移出箱體,方便檢修和階段性徹底大清洗;
5、可選配冷凝器,可有效回收物料中可通過冷凝或吸收的方式回收溶劑;
6、箱上安裝鋼化玻璃門、視鏡燈等,便于觀察箱體內物體干燥情況;
7、箱體門自動開關,密封條采用氣囊密封,確保箱內高真空度;
脈沖真空干燥機技術參數
設備型號 | MZG-8 | MZG-12 | MZG-16 | MZG-24 |
設計裝量 (kg/batch) | 100±20% | 160±20% | 200±20% | 320±20% |
板層層數 | 8 | 12 | 8 | 12 |
烘車數量 | 1 | 1 | 2 | 2 |
烘盤數量 | 32 | 48 | 64 | 96 |
干燥溫度范圍 (℃) | 50℃~90℃ | |||
板層許用壓力 (bar) | ≤4 | |||
烘盤尺寸 (mm) | 585×400×50 | |||
加熱方式 | 蒸汽、電、熱水 | |||
板層面積 (m2) | 8 | 12 | 16 | 24 |
外形尺寸 (mm) | 2100×1550×2200 | 2100×1550×2640 | 2520×2480×2200 | 2520×2480×2640 |
設備重量 (kg) | 2800 | 3200 | 5200 | 6000 |
If you are interested in our products and want to know more details,please leave a message here,we will reply you as soon as we can.
電話:0519-89896111
江蘇省常州市金壇區文景路55號
手機:13801504088
常州新馬干燥工程有限公司,是一家集研發、設計、生產、銷售、工程安裝、技術服務為一體的大型綜合性干燥工程技術公司,擁有近20年的專業化行業技術服務經驗。公司座落在著名的“中國干燥之鄉”——武進區鄭陸鎮,距常州中心城區6公里,緊鄰滬寧高速公路,交通便利,人才薈萃。